首页
关于若克
产品中心
应用领域
资质认证
视频中心
公司动态
技术支持
联系若克
常见问题
生产设备
客户感言
在线留言
资料下载
首页
返回
产品中心
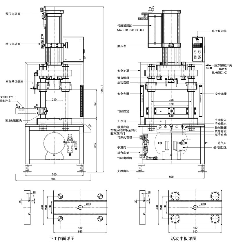
电池盖板极柱铆压机
信息详细
上一页:
50KN四柱伺服压装机
下一页:
RPF-M-5T-STA气液增压机
电话:
0769-88568633
邮件
地图
分享
留言
伺服压力机
气液增压机